TS 4000 EN 5-7 med uppställningsarm * Överliggande dörrstängare med arm för enkeldörrar upp till 1600 mm dörrbredd
- Steglöst justerbar stängningskraft på EN 5-7
- Kan användas på höger- och vänsterhängda dörrar utan omställning
- Mekanisk uppställning med uppställningsarm med ett uppställningsområde på 70°-150°
- Hydraulisk ändslagsverkan som accelererar dörren strax före stängtläge
- Stängningsfarten kan anpassas individuellt
- Integrerad öppningsbroms, bromsar kraftigt öppnade dörrar
- Stängningskraftsdisplay för enkel kontroll av inställningen
- Alla funktioner kan ställas in framifrån (utom tillslag)
Användningsområden
- Anslagsdörrar till höger och vänster
- Öppethållande av dörrar utan rök- och brandskyddskrav
- Anslagsdörrar upp till 1600 mm dörrbredd
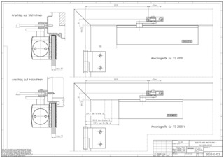
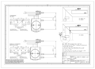
- Dörrbladsmontage gångjärnsida
Monteringssituationer i referensobjekt och videor
Produktspecifikationer
| TS 4000 EN 5-7 med uppställningsarm | |
| Stängningskraft enligt EN 1154 | EN 5 - 7 |
| Dörrbredd (max.) | 1600 mm |
| Monteringssätt | Dörrbladsmontage gångjärnsida |
| Öppningsvinkel (max) | 180 ° |
| Lämplighet brandklassade dörrar | Nej |
| Inställbar stängningskraft | Ja, steglös justering |
| Inställbar stängningsfart | Ja |
| Inställbart tillslag | Ja, med standardarm |
| Integrerad öppningsbroms | Ja, hydrauliskt inställbar |
| Position stängningskraftsjustering | Fram |
| Stängningskraftsdisplay | Ja |
| Uppställning | Mekanisk |
| Uppställningsområde | 50 ° - 170 ° |
Nedladdningar
Varianter och tillbehör
* Information om de produkter som visas
De produkter som nämns ovan kan avvika i form, typ, egenskaper och funktion (konstruktion, mått, tillgänglighet, godkännanden, standarder etc.) beroende på land. För frågor, kontakta din GEZE-kontakt eller skicka oss E-Mail .