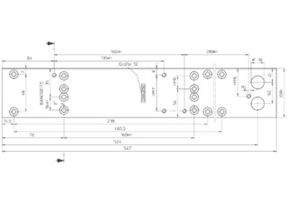
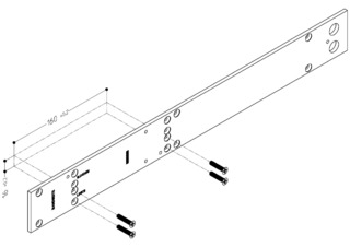
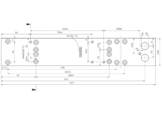
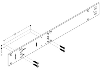
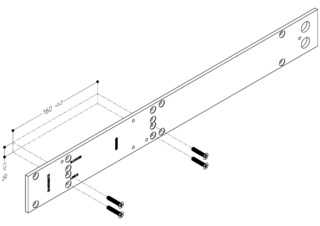
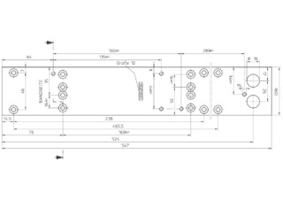
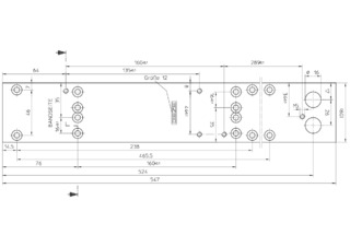
Montageplatta dörrstängare * För TS 5000 RFS KM / TS 4000 R(-IS) med hålbild enligt DIN EN 1154 bilaga 1
- Med hålbild enligt kompletterande blad 1 till DIN EN 1154
Användningsområden
- Montering av stängningskroppen enligt DIN-hålbild
Produktspecifikationer
| Montageplatta dörrstängare | |
| Montageplatta med hålbild enligt EN 1154 bilaga | Ja |
Nedladdningar
LABELLING OBLIGATION: © GEZE GmbH
Varianter och tillbehör
* Information om de produkter som visas
De produkter som nämns ovan kan avvika i form, typ, egenskaper och funktion (konstruktion, mått, tillgänglighet, godkännanden, standarder etc.) beroende på land. För frågor, kontakta din GEZE-kontakt eller skicka oss E-Mail .